제작기술 1 페이지

본문 바로가기

기술소개


영업문의

[영업이사] 이성락 031-355-1959 sungrak.lee@shinhan-valve.com

[대리] 구다솜 031-355-1958 dasom.gu@shinhan-valve.com

more
CUSTOMER CENTER
TEL
031-355-5193
FAX
031-355-4805

가공특성
분류 가공공정 공정내용/특성사양분류
단조가공 소재절단 환봉 원자재 가공규격 상태로 절단후 절단부 모떼기 연삭 및 버제거
마찰용접 기능성이 서로 다른 원자재를 일체로마찰용접후 용접슬러지 연마제거
업셋프레싱 규격소재를 가열, 가압 당고성형하여프레스로 밸브 금형에 형타 밸브 성형
열처리교정 템퍼링 단조제품 전기로에 의한 뜨임 열처리
쇼트블라스트 성형밸브 표면 스케일 제거, 강도향상
축부교정 밸브축부 변형, 휨상태 교정 및축부와 헤드부의 직각상태 교정
어닐링 단조제품 전기로에 의한 응력 제거
STL용착 STL용착 헤드부 버제거 및 밸브면 홈가공
PPW로 밸브면 홈에 STL 파우더 용착
밸브면 홈 STL용착 부위 슬러지 절삭
밸브 헤드 이면R부 밑삭가공
TIP용접 TIP용접 밸브 축 TIP용접될 위치의 규격연마후
TIP용접 가공규격으로 축부 전장절단
축단부에 고열 가압으로 TIP소재 압접
TOPSTL용착 Top/S용착 TOP/S전 규격 전장으로 축단부 절단
STL용착 위치 밸브축단면에 홈절삭
밸브축단면 절삭홈에 STL 용착
밸브축단부 STL용착면 지석 가공
전가공 전장절단 단조밸브의 축부전장 규격 절단
축조연 밸브축부 지석에 의한 황삭 연마
외경시트삭 헤드 외경 및 밸브면 선삭 규격 가공
면취/홈절삭 밸브 축단부 모떼기, 면취각도 가공
밸브축 홈위치에 홈R, 면취각도 가공
축사상 밸브축부 지석에 의한 정삭 연마
표면처리 질화처리 밸브전체 표면 고온 질화 피막 처리
도금처리 밸브축부 표면 크롬도금 피막 처리
후가공 축단소입 밸브축단부 고주파 열처리 경도강화
축단연마 밸브축단면 지석에 의한 정삭 연마
밸브면연마 밸브면 지석에 의한 정삭 연마 가공
리크테스트 밸브가공면 규격 및 공기압누출 시험
제품탐상 마찰용접 및 TIP접합부 크렉검사
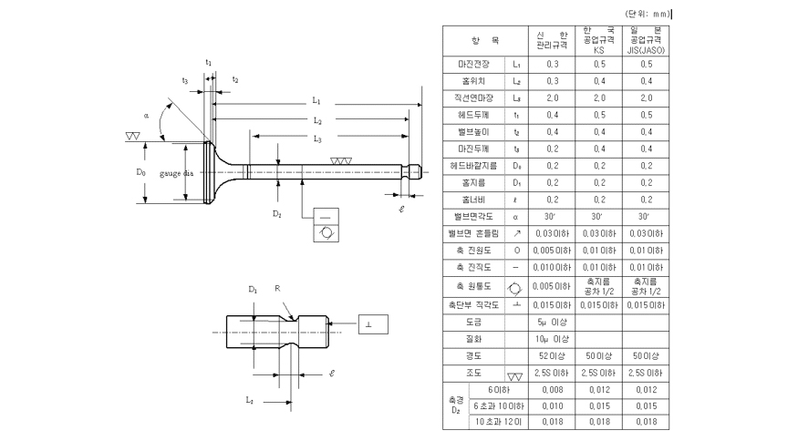
정밀도
Address : 경기도 화성시 남양읍 주석로 96-20
Company : 신한발브공업(주)      TEL : 031-355-5193      FAX : 031-355-4805
Copyright © 2021 신한발브공업. All rights reserved.